ЭНТРОМАТИК 53
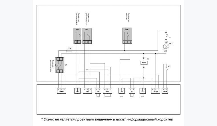
Система управления типа ЭНТРОМАТИК 53 предназначена для управления котлом, а также для защиты котла при возникновении критических значений давления, уровня или температуры.
Котельная автоматика
| Каскад | Нет |
| Локально | Один котел |
| Локальные приборы | TR1, TR2, STB |
| Блок безопасности | Нет |
| Аппаратная часть | Релейная схема |
| Тип управления горелкой | Ступени |
| Ручное управление | По термостату |
| Защита по холодной обратной линии | Нет |
| Индикация/визуализация | Световая индикация |
| Количество контуров управления на одном модуле | Нет |
| Применение | Котлы малой мощности |
| Диспетчеризация | Сухой контакт |
| Габариты | 280x295x131 |
Описание
Система управления ЭНТРОМАТИК 53 предназначена для управления котлом путем формирования сигналов управления горелочным устройством, таких как запрос на включение, малая мощность, большая мощность. Также автоматика позволяет отключать горелочное устройство для защиты котла в случае превышения установленных аварийных значений температуры.
Основными задачами
ЭНТРОМАТИК 53 являются:
- управление горелочным устройством;
- защита от перегрева.
Для реализации данных задач в ЭНТРОМАТИК 53 предусмотрено:
- принудительное отключение горелки в случае превышения температуры в котле значения 130 °С (STB);
- принудительное отключение горелки при разрыве цепи безопасности SI1–SI3. Рекомендуется в цепь безопасности устанавливать датчики, контролирующие параметры, при превышении которых, согласно региональным нормам и правилам, необходимо останавливать подачу топлива к горелочным устройствам (максимальное и минимальное давление, уровень воды и т.д.);
- настраиваемая температура включения горелки на малую нагрузку;
- настраиваемая температура включения горелки на полную нагрузку;
- работа в качестве «блока безопасности» при использовании внешнего регулятора.
Похожая продукция
-
ЭНТРОМАТИК 120MS
-
ЭНТРОМАТИК ТР120/ТР160
-
ЭНТРОМАТИК 120.02MS
-
ЭНТРОМАТИК 121
-
ЭНТРОМАТИК 122
-
ЭНТРОМАТИК 130.01
-
ЭНТРОМАТИК 130.02
-
ЭНТРОМАТИК 130.3
-
ЭНТРОМАТИК 300M
-
ЭНТРОМАТИК EBC501.10
-
ЭНТРОМАТИК 301
-
ЭНТРОМАТИК EBC503
-
ЭНТРОМАТИК EBC511.10
-
ЭНТРОМАТИК EBC513.10
-
ЭНТРОМАТИК ЕSС700.10
-
ЭНТРОМАТИК ЕBС701.10
-
ЭНТРОМАТИК ЕВС711.10
-
ЭНТРОМАТИК ЕВС1200
-
ЭНТРОМАТИК ЕВС1500
-
ЭНТРОМАТИК ESC 1501
